2025-07-15 08:31:24AD5292BRUZ-100-RL7:100kΩ低成本电位器,大范围调节的“经济之选”
AD5292BRUZ-100-RL7:100kΩ低成本电位器,大范围调节的“经济之选”在电子系统设计···
了解详情
AD5292BRUZ-100-RL7:100kΩ低成本电位器,大范围调节的“经济之选”在电子系统设计···
了解详情
AD5270BRMZ-20-RL7:20kΩ双通道电位器,工业控制稳定组件在工业控制领域,多参数同步···
了解详情
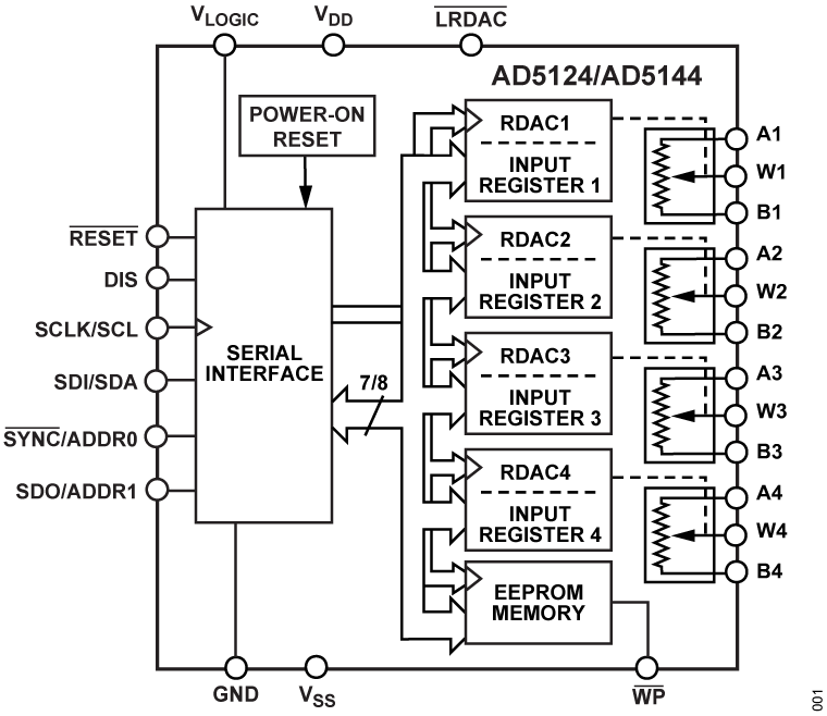
AD5144BCPZ100-RL7:100kΩ I²C电位器,智能设备调节的高效之选在智能设备(如T···
了解详情
AD8400ARZ100:100 特性仪表放大器,精准信号处理之选在电子系统中,信号处理的精度与可靠···
了解详情
AD5160BRJZ5-RL7:5kΩ低噪声电位器,传感器信号调理电路的可靠组件在传感器信号调理领域···
了解详情
AD5241BRZ1M:1MΩ高阻数字电位器,通信设备阻抗匹配的高效方案在通信设备(如5G射频模块、···
了解详情电话:
0755-28745149
